
| No | Item |
| 1 2 3 4 5 6 7 8 9 10 11 12 |
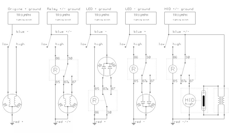
Bosch Relay SPDT Lucas Powerbase High-Output 3-Phase Alternator 180 watts Lucas Zener Diode Triphase Rectifier/Regulator Honda GL1200 1984 - 31600-MG9-010 Antigravity Batteries AG1201 Reflector OEM Incandescent - Lucas 7" Reflector H4 - Yamaha Road-Star 2005 7" Incandescent Lucas 45/40 Watts H4 60/55 Watts HID Xenon 35/35 W Philips Lumileds 20 Watts Rigid Industries LED Lighting - SR-Q - Flood - Single 20 Watts |
![]() Rectifier/Regulator Honda GL1200 1984 - 31600-MG9-010 Antigravity Batteries AG1201 |
![]() Lucas Powerbase High-Output 3-Phase Alternator 180 watts SRM 3 spring models Pressure plate kit |
![]() Depuis 2018 Rectifier/Regulator Shindengen FH020AA MOSFET |
![]() Depuis 2018 Rectifier/Regulator Shindengen FH020AA MOSFET |
| HID Xenon 35/35 W + Items (1, 2, 3, 4, 5, 7) |
![]() |
![]() |
![]() |
![]() |
|
Philips Lumileds 20 Watts + Rigid Industries LED Lighting - SR-Q - Flood - Single 20 Watts
+ Items (1, 2, 3, 4, 5, 7) |
![]() |
![]() |
![]() |
![]() |
| Camera Viosport POV.1 70° 720x480 + Items (1, 2, 3, 4, 5) |
| Camera Viosport POV.HD 142° 1920x1080 + Items (1, 2, 3, 4, 5) |
![]() 20140819 HID Xenon H4D 35/35 watts High mode + Rigid LED 20 watts + Item 7 |
![]() 20140819 HID Xenon H4D 35/35 watts Low mode + Item 7 |
|
20150806 Philips Lumiled 20 watts High mode + Rigid LED 20 watts + Item 7 |
20150806 Philips Lumiled 20 watts Low mode + Item 7 |
| Type | Tension | Start | Light High | Light Low | Relay Light High | Relay Light Low | Relay Switch High | Relay Switch Low | Total High | Total Low | Run High | Run Low |
| H4 35/20W | 12 | 2917 | 1667 | 0 | 0 | 0 | 0 | 2917 | 1667 | 35,00 | 20,00 | |
| H4 Lucas 60/55 W | 12 | 5000 | 4583 | 0 | 0 | 0 | 0 | 5000 | 4583 | 60,00 | 55,00 | |
| HID VVME H4-D 35/35W | 14 | 7000 | 3200 | 3200 | 1000 | 0 | 60 | 60 | 4260 | 3260 | 59,64 | 45,64 |
| Lucas 45/40W | 12 | 3750 | 3333 | 0 | 0 | 0 | 0 | 3750 | 3333 | 45,00 | 40,00 | |
| Philips Lumileds 20W | 14 | 1200 | 1200 | 0 | 0 | 0 | 0 | 1200 | 1200 | 16,80 | 16,80 | |
| Tension = volts | ||||||||||||
| Courant = mA | ||||||||||||
| Puissance = watts |













